|
....
PIC® Software
.... | ||||
|
CCS PIC C Compilers are used to compile my source code. I've followed CCS for the last 17 years. They have more than 20 years experience in software, firmware and hardware design and over 500 custom embedded C design projects using Microchip PIC® MCU devices. They are a recognized Microchip Third-Party Partner with first hand experience that enables them to keep these compiler tools updated to the latest PIC® MCU technologies available. Why write your code in C when you could be "totally efficient and in control" when you write in RISC? Download their Demonstration Software and find out. They have very attractive pricing for both command line and IDE compilers in Windows and Linux for the various PIC families. The CCS User Forum is an excellent source of advice for using the C language and their compiler with PIC® MCUs. | |||
|
.... PIC®Device Programmer .... | ||||
|
| microEngineering Labs makes the U2 Programmer that I used to program PICs. It connects to a USB port and gets it's power from the USB port. It's GUI is small and straightforward, and its command line interface nicely integrates into the CCS compiler aftrer the Build step. microEngineering Labs also specializes in development tools that make working with PIC® MCUs quicker and easier. For those who prefer to program in BASIC instead of C, they offer BASIC compiler software, as well as a wide range of other products such as serial-port and parallel-port device programmers, experimenter and prototyping boards, books, and more. These folks are quite responsive and helpful. | |||
|
.... PIC®Devices .... | ||||
| Microchip makes the PIC® microcontrollers. Databooks, application, notes, and much more are on their web site. Everything is oriented around the PIC's RISC assembly language, of course. Visit microchipDIRECT to buy PIC® devices directly from Microchip. | |||
|
.... Electronic Components .... | ||||
| Digikey makes it easy to find
and obtain components in a hurry. (I remember when their first
catalogs were 1/8" thick...their last printed catalog measured more than 3" thick!
They don't even print a catalog any more.)
| |||
| Farnell element14 is the
leading multi-channel, high service distributor of electronic
components supporting millions of engineers and purchasing professionals
throughout Europe and Asia, and is a global distributor of Microchip
products including microcontrollers, semiconductors, and more.
| |||
| Crystalfontz supplies a wide
variety of LCD displays for very reasonable prices.
| |||
| Saelig
searches the world to bring you unique, easy-to-use control
and instrumentation products. They have very reasonably priced oscilloscopes as well as a very
broad line of everything else.
| |||
| Spark Fun Electronics
A great source for innovative prototyping supplies including the
CP2102 USB-SERIAL and other breakout boards for attractive prices.
Their web site includes User forums and tutorials.
| |||
| Marlin P. Jones & Associates (MPJA)
This company sells new and overstock electronic components and equipment for bargain prices.
| |||
| Saleae makes several unique logic analyzers. I've used their early "Logic" and "Logic16" for several years. They recently introduced a line of mixed signal analyzers that are attractively priced. The lowest priced unit is the "Logic4" that has one digital/analog input and three digital inputs. The "Logic8", "Logic Pro 8" and "Logic Pro 16" bring more features such as additional channels, all with mixed signal capability, and higher digital and analog sample rates. Probably the best part of this company is the obvious care and quality they put into their products (I've looked inside) and the care and quality they put into their customer service. These are well worth the price. | |||
|
.... Printed Circuit Boards .... | ||||
| ExpressPCB provides printed
circuit board prototyping and production service.
Their free ExpressSCH schematic editor and ExpressPCB board layout
CAD software run under Windows and are easy to learn, complete with a built-in library and integrated
Digikey part numbers. You can also add your own component symbols and footprints.
After the finished board design is uploaded through the software, their PC board service manufactures
high quality boards with plated-through holes, from double-sided to four layers,
up to 12"x14" in size. They are both fast and economical with most orders shipped
the next business day, and for as little as $51 U.S.
| ||||
| Advanced Circuits provides printed
circuit board fabrication for prototyping or production. They also have
assembly services. Check out the Products/Services menu for their very
affordable board fabrication specials. Input is standard Gerber (and more) if
you already have PCB layout software such as Altium Designer and or other software packages.
They provide free PCB layout software if you don't already have something.
| ||||
|
.... Mechanical Hardware .... | ||||
| eMachineShop
is a full-service machine shop as near as the internet.
It's great for making custom parts for research projects.
Download their free software to draw your part after which you can display it in 3D.
Essentially, you send out a file; you get back physical parts that work to your specs.
The software includes commands to evaluate your design,
obtain automated price quotes, and order via internet.
eMachineShop streamlines the entire
process from what you see on your screen to delivery at your door.
| |||
| Online Metals
is an online supplier of small quantities of metal such as steel, stainless,
copper, bronze, brass, titanium (and even plastic) in
tube, flat, angle, square, hex, round, flat, sheet, and other shapes.
| |||
| McMaster-Carr
has what I believe may be the most helpful and intuitive web presence online today because it
makes it easy to quickly locate a part, locate helpful alternatives to the part, and
narrow down exactly what you need. They sell screws, bolts, and all fasteners, pipe,
tubing hose, fittings, bearings, pneumatics, sealing components, etc.
| ||||
|
.... My favorite surplus stores .... | ||||
| Looooong ago...as a kid in the 1960s I would ask my grandfather to drive me to
ACME Electronics on Hennepin Avenue
in Minneapolis, Minnesota. I couldn't get enough of this place. More recently it
had become Electronics Center in Golden Valley, Minnesota but closed in 2017.
However, there are still other surplus stores in the USA. Here are a few...
| ||||
| Excess Solutions
in the San Jose, CA area has mostly electronic components. They bought
HSC Supply which had operated in San Jose. The two operate under Excess Solutions.
| |||
| Skycraft Surplus
in the Orlando area 14 miles north of the Orlando Airport.
I couldn't believe what they had. It was crowded (with people and stuff.)
| |||
| And also in the Minneapolis and St. Paul area there is
Ax-Man Surplus
on University Avenue and two other locations.
They have mostly electronic materials with
stuff and
more stuff
all over the place. A true surplus store that includes
some very old equipment. Well worth visiting.
|
|
| PROJECT | Processor | Files | |
|---|---|---|---|
| INCLUDE FILE "jonsinc.h" used by most of these projects. | All |
Description |
|
| About the LCD character displays used in some of these projects | All |
Description |
|
WIRELESS REMOTE CONTROL for Raymarine ST4000 Autopilot uses
Raytheon's Seatalk®communications protocol. |
16F628 |
Description Transmitter C code Schematic Receiver C code Schematic |
|
REMOTE CONTROL for Raymarine ST4000 Autopilot uses
Raytheon's Seatalk®communications protocol. |
16F628 |
Description C code Schematic |
|
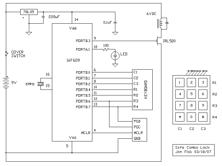
COMBINATION LOCK FOR SAFE puts security into
an old fire safe. |
16F628 |
Description C code Schematic |
|
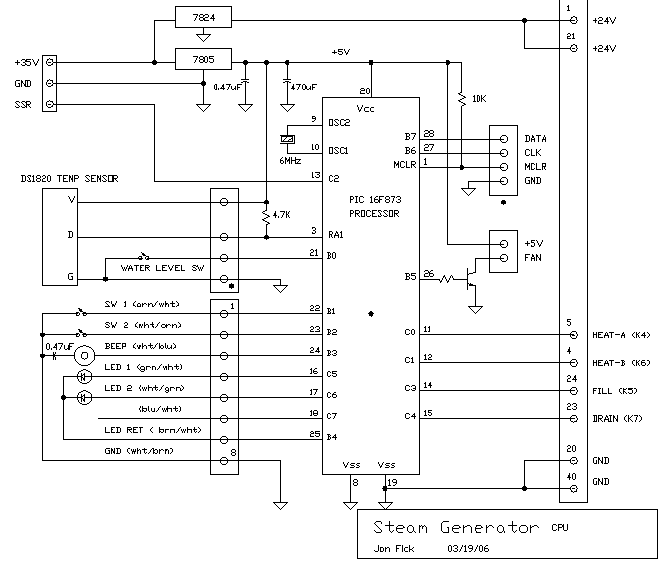
STEAM GENERATOR for residential steam shower. |
16F873 |
Description C code Schematic (CPU) Schematic (AC) |
|
DATA LOGGER measures and stores voltage at specified intervals and dumps to RS232. 8192 samples. |
16F876 |
Description C code Schematic |
|
BATTERY CHARACTERIZER loads charged NiCad and NiMH
battery packs and measures milliamp hour capacity. |
18F252 |
Description C code Schematic |
|
Underground locator generator for Radiodetection® RD400 LLTS
Precision Line Trace unit (underground cable locator) |
16F628 |
Description C code Schematic |
|
GPS REPEATER/SYSTEMS MONITOR displays NMEA-0183 data from a GPS, battery voltages, etc. |
16F876 |
Description C code Schematic |
|
TRACK CONTROLLER FOR AWANA®GRAND PRIX (also Pinewood Derby)
measures and displays finish times, sends results to computer.
Works with "GrandPrix Race Manager" from GrandPrix Software Central.
|
16F628 |
Description C code Schematic |
|
PIC®PROGRAMMERI use the microEngineering Labs U2 Programmer in my own lab. This programmer connects to a USB port and gets it power from the USB port. It works well and I highly recommend it. |
All. | Description | |
COMBINATION LOCK for home door, 4x4 matrix keyboard, master combination plus four programmable combinations, programmable lamp and solenoid times |
16F84 |
Description C code Schematic |
|
| LIQUID LEVEL TRANSMITTER/RECEIVER SYSTEM designed for marine applications using Raytheon's Seatalk®bus. Includes tachometer transmitter example although the receiver is only for liquid level. | 16F628 |
Description Level Transmitter C code Schematic Tach Transmitter C code Schematic Level Receiver C code Schematic |
|
| DIESEL TACHOMETER uses "tach" signal from alternator. | 16F628 |
Description C code Schematic |
|
| ADC EXAMPLE for 16F87x PICs and similar. | 16F873 16F876 |
Description C code |
|
| ADDRESSABLE ADC and controller receives serial command then 1) returns ADC measurement, and 2) writes output port. Three-byte serial command, three ADC inputs, 8 digital outputs, 5-bit address, 9600-baud. | 16F873 |
Description C code Schematic |
|
| MORSE CODE DISPLAY hears Morse code from shortwave receiver, displays text on LCD display. | 16F84 |
Description C code Schematic |
NOTE:
All material Westford MicroSystems®2000-2022 and may not be republished
without permission. Links to these pages are always appreciated.
NOTE:
Although these projects work for me, they are offered as-is,
at-your-own-risk, and are for non-commercial use only. They are ideas, not products.
NOTE:
Some of these projects involve voltages that can kill. It is assumed
that if you are knowledgeable enough to experiment, you are also
aware of the risks.
|
©2022 Westford MicroSystems. All rights reserved.